Description
VFXJ-12D indoor Sealed vacuum load break switch VFXJ-12D inverted type indoor encapsulated vacuum load switchVFXJ-12RD indoor solidly encapsulated vacuum load switch combination electrical applianceThe product is ideal for miniaturized switchgear that uses dry gas. It reduces the volume of the ring network cabinet by almost 40% when compared to traditional vacuum circuit breakers, vacuum load switches, and combined electrical appliances. This reduction in size significantly decreases the space required for the equipment and leads to cost savings in power engineering projects.
Product Structure Characteristics
- Sealed Pole Structure: Vacuum circuit breakers and load switches use a three-phase sealed pole structure. The vacuum interrupter and outlet terminals are sealed with epoxy resin materials known for their excellent insulation properties. This creates solid insulation through the Automatic Pressure Gel (APG) process. This design enhances the switch’s mechanical strength and robustness. It overcomes issues related to inter-phase and ground isolation, which can be affected by contaminants, condensation, and dew. Additionally, it reduces the switch’s size, thereby improving electrical safety.
- Integrated Three-Switch Modules: Three switch modules are integrated, each with its disconnecting switches and visible isolating breaks. This design ensures operator safety. A reliable mechanical connection exists between the disconnecting switch and the circuit breaker (load switch) and earthing switch (optional). The disconnecting switch and earthing switch share the same operating shaft. When the disconnecting switch closes, the earthing switch performs a splitting operation. Only one of them can be in the closed state at any given time, ensuring the interlocking of the earthing switch and the isolating switch.
- Adjustable Configuration: The integrated three-switch module can be adjusted to meet different wiring schemes, including upper and lower incoming and outgoing connections.
- Optimized Spring Manipulator: The manipulator of the new circuit breaker (load switch) employs an optimized spring manipulator. It can be operated both electrically and manually with minimal operating power. This design enhances mechanism stability and reliability. The mechanism and the switch operate independently, requiring minimal adjustment and maintenance, and facilitating intelligent automatic operation.
Switch Operation Principle

- Main Switch Closing and Opening (Circuit Breaker, Load Switch): The operating mechanism (1) transfers motion via the push rod (2) and abductors (4) to the spindle (3). The spindle actuates the A, B, C phase abductors (5), driving the control rod (6) and abductors (7). This movement causes the movable conductive rod of the interrupter to move up and down, enabling the closing and opening of the main switch.
- Isolating Switch Splitting and Closing: The isolating spindle (9) drives the crutch arm (10) and absolute pull (11) to actuate the isolating switch’s moving knife (12), enabling splitting and closing of the isolating switch.
- Grounding Switch Splitting (Conventional Linkage Operation): The grounding switch and disconnecting switch are linked. The disconnecting switch splits simultaneously with the grounding switch, and the grounding switch splits when the disconnecting switch closes during power supply.
- Fuse Impact Release (Load Switch-Fuse Combination Device): When any fuse blows, the needle on the fuse ejects, rotating the switch release plate, which, in turn, triggers the release device in the organization, causing the switch to trip.
Environmental Conditions for Use
- Altitude: Up to 1000 meters.
- Ambient Air Temperature: -25°C to +40°C.
- Air Relative Humidity: Daily average not exceeding 95%, monthly average not exceeding 90%.
- Environmental Conditions: No exposure to corrosive or flammable gases, water vapor, or significant pollution.
- Vibration: No regular severe vibration conditions.Note: Different environmental conditions or special requirements may necessitate consultation with the manufacturer.
Product Reference Standards
The product adheres to the following reference standards:
- GB311.1-1997 “AC Power Transmission and Transformation Equipment Insulation.”
- GB1984-2003 “High-voltage AC Circuit Breaker.”
- GB3084-2004 “3-3.6kV High-voltage AC Load Switch.”
- GB16926-2009 “High-voltage Alternating Current Load Switch-Disconnector Combination Appliances.”
- GB1985-2004 “High-voltage Alternating Current Disconnecting and Earthing Switches.”
- GB3309-1989 “High-voltage Switchgear Mechanical Test at Room Temperature.”
- GB11022-1999 “High-voltage Switchgear and Control Equipment Standard Shared Technical Requirements.”
- DLT403-2000 “12~40.5kV Indoor High-voltage Vacuum Circuit Breaker Ordering Technical Conditions.”

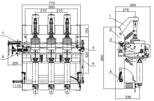
VFXJ-12RD indoor solidly encapsulated vacuum load switch combination electrical appliance
1 Insulating bracket 2 Frame 3 Operation Mechanism 4 Grounding switch
5 Vacuum Interrupter pole 6 Linkage mechanism 7 Disconnecting switch shaft 8 Load switch shaft

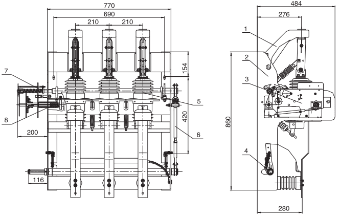
VFXJ-12D indoor solidly encapsulated vacuum load switch
1 Insulating bracket 2 Frame 3 Operation Mechanism 4 Grounding switch
5 Vacuum Interrupter pole 6 Linkage mechanism 7 Disconnecting switch shaft 8 Load switch shaft

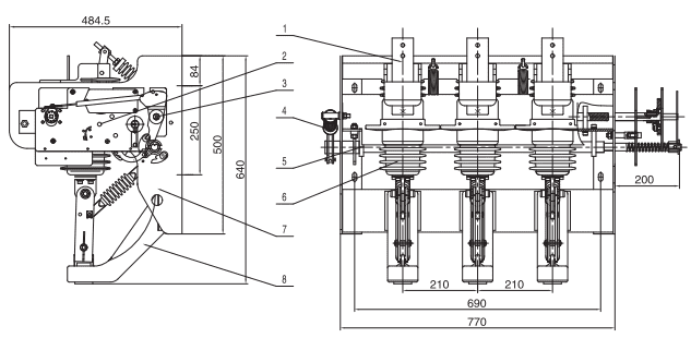
VFXJ-12D inverted type indoor encapsulated vacuum load switch
1 Outgoing busbar 2 Operation Mechanism 3 Load switch shaft 4 Over-centre mechanism
5 Disconnecting switch shaft 6 Vacuum Interrupter pole 7 Frame 8 Insulating bracket



